

Monopoint à larder inox Série L370, axe 50 mm, pour mesure conservatoire HERACLES
La serrure monopoint à larder Série L370 par HERACLES est une solution mécanique adaptée aux mesures conservatoires. Conçue pour être intégrée directement dans l'épaisseur de la porte, elle assure un verrouillage fiable et discret. Son mécanisme à clé I permet un usage simple, tout en offrant un niveau de sécurité adapté aux exigences spécifiques.
Compatible avec une large gamme de portes, la serrure monopoint à larder Série L370 peut être installée sur des supports en bois, PVC, métal et aluminium. Son demi-tour réversible facilite l'adaptation au sens d'ouverture, optimisant ainsi la flexibilité d'installation. La présence d'une têtière et d'une gâche à bout rond de série garantit une pose conforme aux standards requis.
Sa conception en inox lui confère une bonne résistance aux sollicitations et aux conditions d'usage variées. Ce matériau assure une durabilité accrue et une protection contre l'usure. Grâce à son format à larder, elle s'intègre proprement dans la porte, offrant une finition soignée tout en maintenant une fonctionnalité efficace.
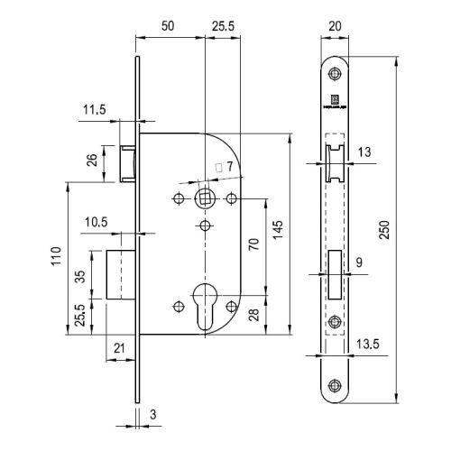
Caractéristiques techniques :
Matière : inox
Fonction : clé I
Axe : 50 mm
Entraxe : 70 mm
Carré de fouillot : 7 mm